Western plows are essential tools for clearing snow during the winter months. However, in order for these plows to function properly, the wiring must be installed correctly. Improper wiring can lead to malfunctions and even pose a safety risk to the user.
It is crucial to understand the wiring diagram for your Western plow in order to ensure that it is installed correctly. This diagram provides a visual representation of how the various components of the plow are connected, making it easier to troubleshoot any issues that may arise.
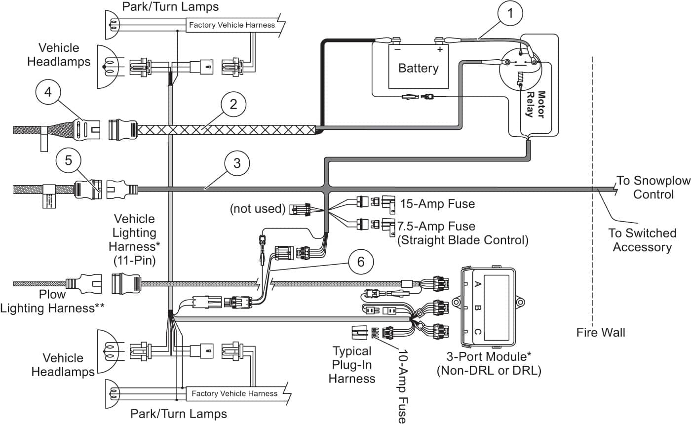
Western Plow Wiring Diagram
The Western plow wiring diagram typically includes information on the various wires, connectors, and switches that are used in the plow system. It also outlines the proper sequence for connecting these components to ensure that the plow functions as intended.
One of the most important aspects of the wiring diagram is the color-coding of the wires. Each wire is typically assigned a specific color to make it easier to identify and connect to the corresponding component. Following the color-coding on the diagram is essential for proper installation.
Additionally, the wiring diagram may include information on the proper placement of fuses and relays within the plow system. These components are crucial for protecting the electrical system from damage and ensuring that the plow operates safely and efficiently.
By familiarizing yourself with the Western plow wiring diagram and following it closely during installation, you can ensure that your plow functions correctly and safely. Proper wiring not only helps prevent malfunctions but also extends the lifespan of your plow, saving you time and money in the long run.
Closing Thoughts
In conclusion, understanding the Western plow wiring diagram is essential for proper installation and operation of your plow. By following the diagram closely and paying attention to the color-coding of wires, you can ensure that your plow functions safely and efficiently throughout the winter season.
