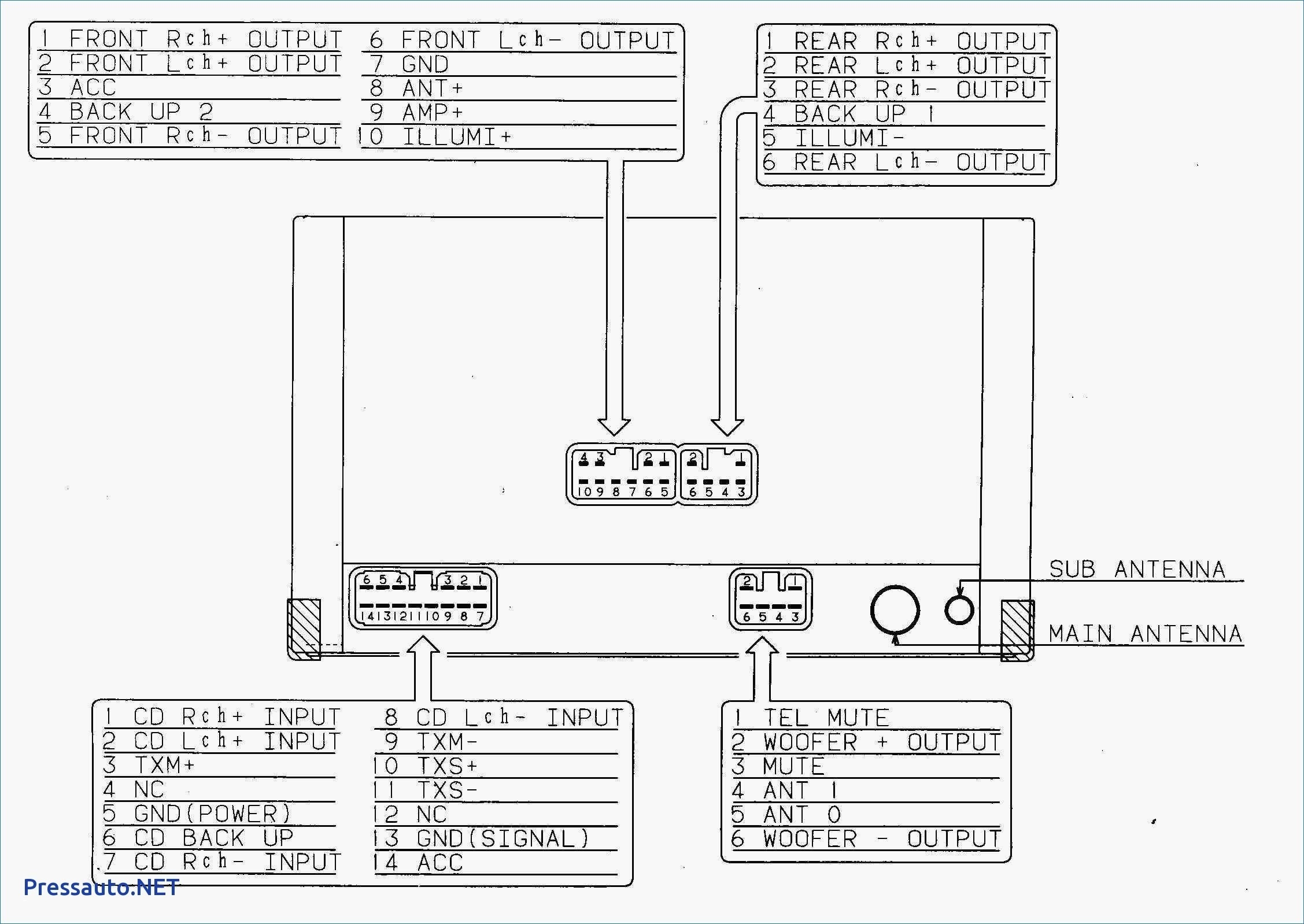
When it comes to installing a new Pioneer radio in your car, having a wiring diagram is essential. This diagram provides a guide on how to connect the various wires from the radio to your car’s electrical system. Without it, you may end up damaging your radio or even your car’s electrical system. It’s important to follow the wiring diagram carefully to ensure a successful installation.
A Pioneer radio wiring diagram typically includes the color codes for the different wires, such as power, ground, speaker, and antenna. It also shows the connections for features like steering wheel controls, Bluetooth, and USB ports. By following the diagram, you can easily match the wires from your Pioneer radio to the corresponding wires in your car.
One important thing to note is that not all car models have the same wiring setup. Therefore, it’s crucial to find the specific wiring diagram for your car make and model when installing a Pioneer radio. This will ensure that you make the right connections and avoid any potential issues down the line.
Another benefit of using a Pioneer radio wiring diagram is that it can help you troubleshoot any issues that may arise during or after the installation. If you’re experiencing problems with the sound quality, functionality, or power supply of your radio, referring back to the wiring diagram can help you pinpoint the source of the problem and make necessary adjustments.
In conclusion, a Pioneer radio wiring diagram is a valuable tool for anyone looking to install a new radio in their car. By following the diagram carefully and making the right connections, you can enjoy all the features and benefits of your Pioneer radio without any issues. Remember to always refer to the specific wiring diagram for your car model to ensure a successful installation.
