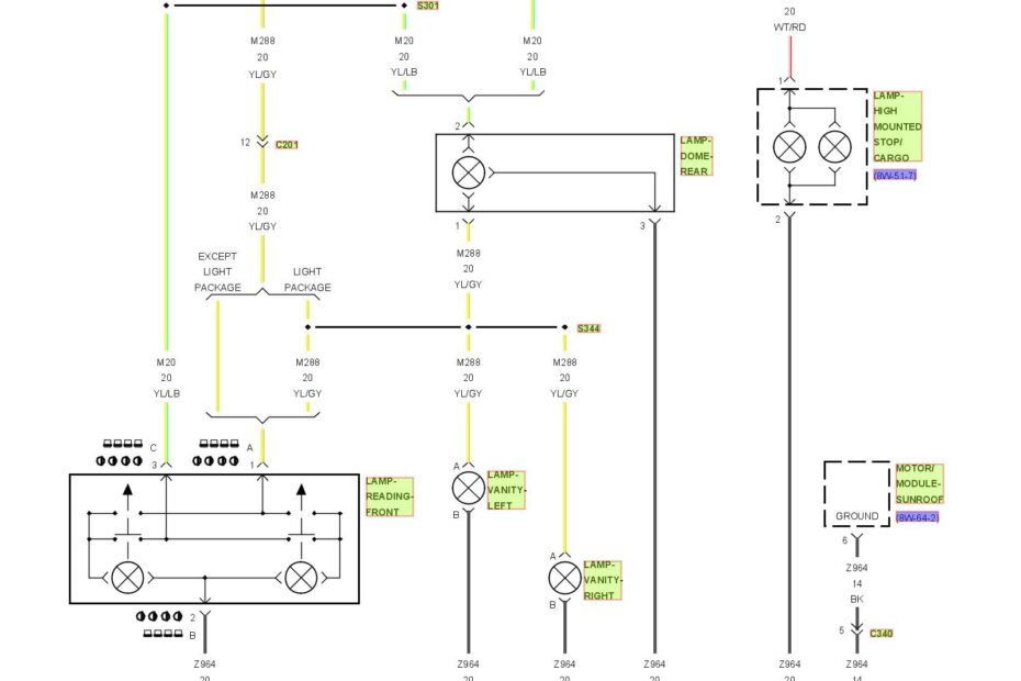
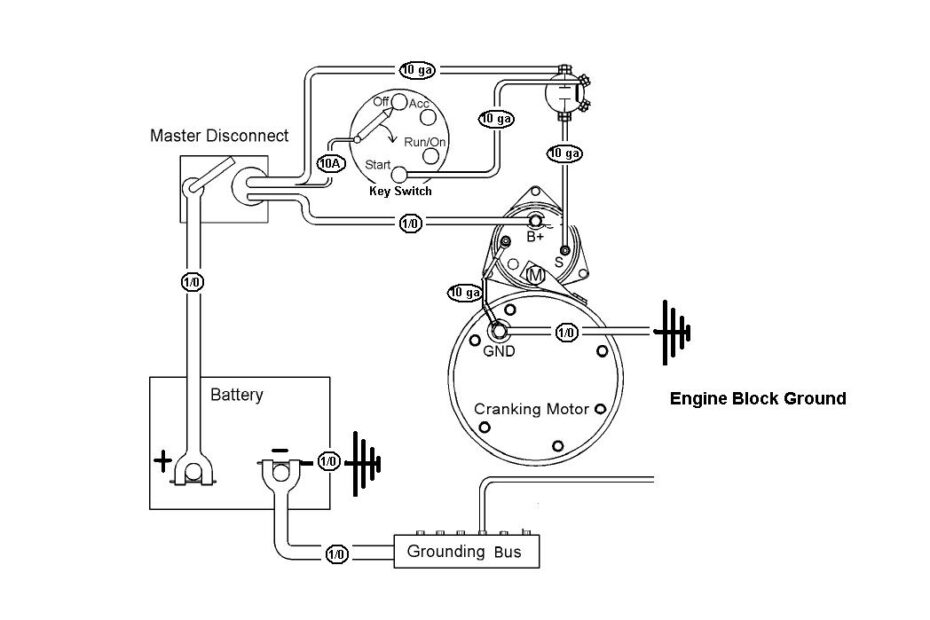
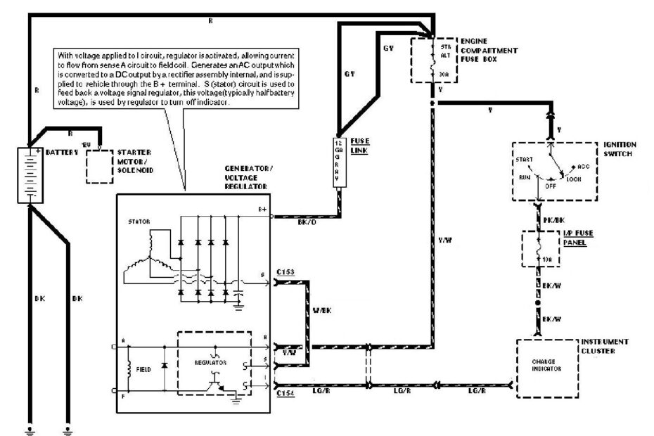
Relay Trigger Wiring Diagram
Relays are essential components in many electrical systems, as they allow a low-power signal to control a high-power circuit. Understanding how to wire a relay trigger correctly is crucial for ensuring the proper functioning of… Relay Trigger Wiring Diagram








