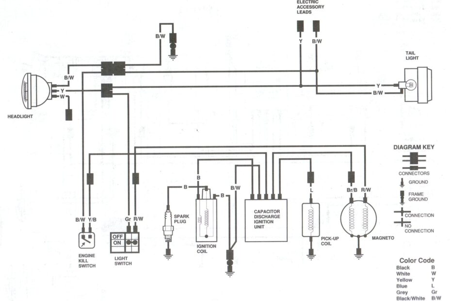
Motorcycle Cdi Wiring Diagram
Motorcycle CDI (Capacitor Discharge Ignition) systems are essential components that control the ignition system of a motorcycle. They provide a high voltage spark to the spark plugs at the right time to ignite the fuel-air… Motorcycle Cdi Wiring Diagram








