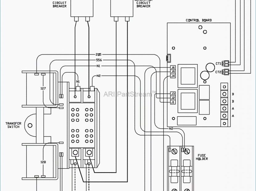
Electric Furnace Wiring Diagram
Electric furnaces are a popular choice for heating homes due to their efficiency and convenience. However, wiring an electric furnace can be a complex task that requires careful planning and execution. Understanding the wiring diagram… Electric Furnace Wiring Diagram








