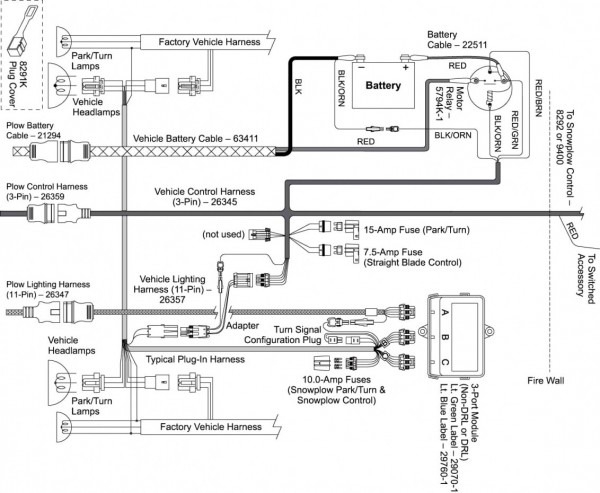
1987 Jeep Entire Under Hood Wiring Diagram
When it comes to working on your 1987 Jeep, having a detailed wiring diagram can make all the difference. The under hood wiring diagram is crucial for understanding the electrical system of your vehicle and… 1987 Jeep Entire Under Hood Wiring Diagram








