When it comes to electrical wiring in your home, it’s important to understand the proper way to wire outlets and switches. One common scenario is wiring an outlet to a switch, allowing you to control the power to the outlet with the flip of a switch. This can be useful for controlling lamps, appliances, or other devices plugged into the outlet.
Before attempting any electrical work, it’s essential to turn off the power to the circuit at the breaker box to prevent any accidents. Make sure to use the appropriate tools and follow all safety precautions when working with electricity.
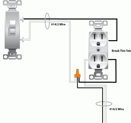
Here is a basic outlet switch wiring diagram to help guide you through the process:
1. Start by shutting off the power to the circuit at the breaker box. Remove the cover plate from the switch and outlet, and use a voltage tester to double-check that the power is off.
2. Next, remove the existing outlet from the electrical box. You will see three wires – a black (hot) wire, a white (neutral) wire, and a green or bare copper (ground) wire. The black wire is the “line” wire, the white wire is the “load” wire, and the green or bare copper wire is the ground wire.
3. Connect the black wire to the brass-colored screw on the outlet, the white wire to the silver-colored screw, and the green or bare copper wire to the green screw. Make sure to wrap the wires around the screws in a clockwise direction for a secure connection.
4. Now, take the black wire from the outlet and connect it to one of the brass-colored screws on the switch. Connect a short jumper wire from the other brass-colored screw on the switch to the other brass-colored screw on the outlet. This will allow the switch to control the power to the outlet.
5. Finally, carefully tuck the wires back into the electrical box, secure the outlet and switch in place, and replace the cover plates. Turn the power back on at the breaker box and test the outlet to ensure everything is working correctly.
With this outlet switch wiring diagram as a guide, you can safely and effectively wire an outlet to a switch in your home. Remember to always follow electrical codes and safety guidelines to prevent any accidents or injuries.
