Heat pumps are an efficient way to heat and cool homes, but understanding how they work and how to properly wire them is essential for proper functionality. A heat pump wiring diagram is a crucial tool that helps homeowners and HVAC professionals navigate the complex wiring system of heat pumps.
Before attempting any wiring work on a heat pump, it is important to familiarize yourself with the various components and their functions. This will help you understand how the wiring diagram corresponds to the physical components of the heat pump system.
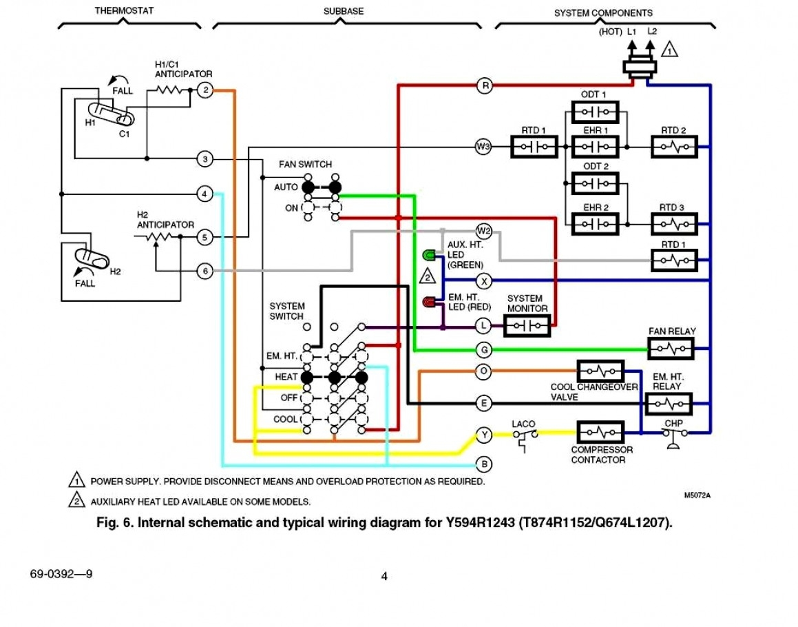
Heat Pump Wiring Diagram
The heat pump wiring diagram typically includes information on the thermostat, condenser, compressor, reversing valve, air handler, and other relevant components. It shows the electrical connections between these components and helps ensure that the system operates correctly.
When following a heat pump wiring diagram, it is crucial to pay attention to the color codes of the wires. Different manufacturers may use different color coding, so it is essential to refer to the specific wiring diagram provided by the manufacturer of your heat pump.
Properly wiring a heat pump is crucial for its efficient and safe operation. Incorrect wiring can lead to system malfunctions, reduced efficiency, and even damage to the components. If you are unsure about how to wire your heat pump, it is always best to consult a professional HVAC technician.
Regular maintenance and inspection of the wiring system are also important to ensure the proper functioning of the heat pump. Over time, wires can become loose or damaged, leading to potential issues with the system. By keeping the wiring system in good condition, you can prolong the lifespan of your heat pump.
In conclusion, understanding and following a heat pump wiring diagram is essential for the proper installation and operation of a heat pump system. By familiarizing yourself with the diagram and ensuring that the wiring is done correctly, you can enjoy efficient heating and cooling in your home. Remember to consult a professional if you are unsure about any aspect of wiring your heat pump.
