The GMC Yukon is a popular SUV known for its powerful performance and luxurious features. However, when it comes to troubleshooting electrical issues, having access to a wiring diagram is essential. A wiring diagram is a detailed schematic that shows the connections between various electrical components in your vehicle.
Whether you’re a seasoned mechanic or a DIY enthusiast, having a Gmc Yukon wiring diagram can save you time and frustration when dealing with electrical problems. It provides a roadmap for understanding how the electrical system is wired, making it easier to identify faulty connections or components.
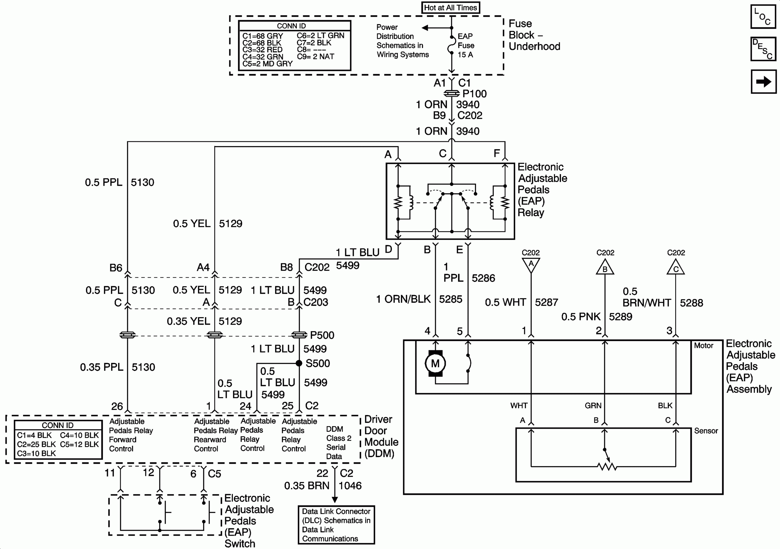
Gmc Yukon Wiring Diagram
When it comes to the Gmc Yukon wiring diagram, it’s important to have a clear understanding of the different components and their connections. The diagram typically includes information on the power distribution, ground connections, fuse locations, wire colors, and more.
One of the key benefits of having a wiring diagram is the ability to trace the path of electrical current from the battery to the various components in the vehicle. This can help you pinpoint the source of an electrical issue and make the necessary repairs or replacements.
Additionally, a wiring diagram can be a valuable tool for customizing your vehicle or adding aftermarket accessories. By understanding how the electrical system is wired, you can safely integrate new components without risking damage to your vehicle’s electrical system.
Overall, having a Gmc Yukon wiring diagram is essential for anyone looking to maintain, troubleshoot, or customize their vehicle’s electrical system. Whether you’re tackling a simple repair or a complex modification, having access to this detailed schematic can make the process much smoother and more efficient.
With a Gmc Yukon wiring diagram in hand, you can tackle electrical issues with confidence and precision. So, don’t wait until you’re faced with a problem – make sure you have a wiring diagram on hand to help you navigate the complexities of your vehicle’s electrical system.
