Freightliner is known for its high-quality trucks and commercial vehicles. When it comes to wiring diagrams for Freightliner vehicles, it is important to have a clear understanding of the electrical system. A wiring diagram is a detailed schematic that shows the connections between various components in the vehicle’s electrical system. It is essential for troubleshooting electrical issues and ensuring proper maintenance of the vehicle.
Having access to a Freightliner wiring diagram can make the process of diagnosing and repairing electrical problems much easier. Whether you are a professional mechanic or a DIY enthusiast, having a wiring diagram at your disposal can save you time and money in the long run.
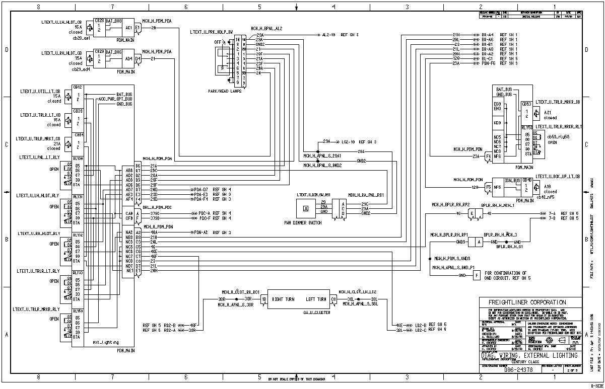
When looking at a Freightliner wiring diagram, it is important to pay attention to the color-coding of the wires, the location of connectors, and the layout of the various components. This information can help you identify the source of an electrical problem and make the necessary repairs.
Additionally, a wiring diagram can also help you understand the overall electrical system of your Freightliner vehicle. This knowledge can be valuable when performing upgrades or modifications to the electrical system, as it can help you ensure that everything is properly connected and functioning correctly.
Overall, having a Freightliner wiring diagram is an essential tool for anyone who works on Freightliner vehicles. Whether you are a professional mechanic or a DIY enthusiast, having access to this detailed schematic can make the process of diagnosing and repairing electrical problems much easier.
By understanding the layout of the electrical system and the connections between components, you can ensure that your Freightliner vehicle operates smoothly and efficiently. So, make sure to have a wiring diagram on hand the next time you encounter an electrical issue with your Freightliner vehicle.
