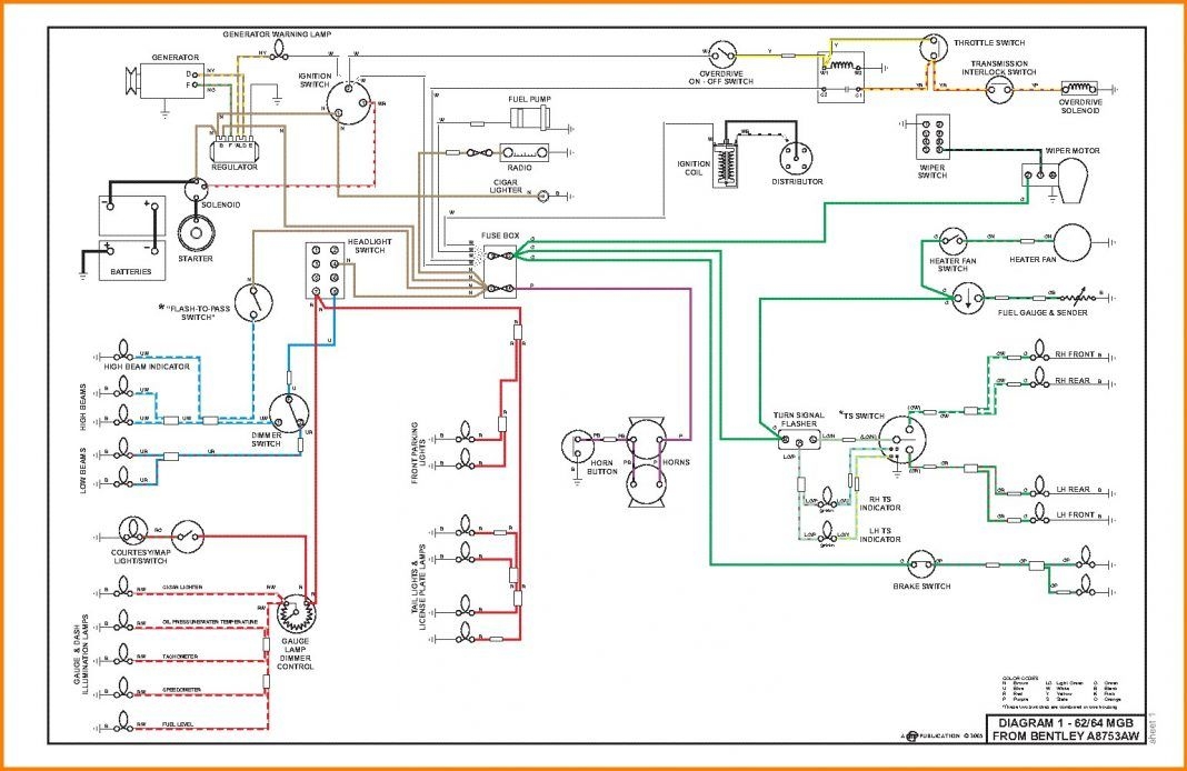
When it comes to working on your car’s electrical system, having access to accurate wiring diagrams is crucial. These diagrams show the layout and connections of the various components in your vehicle, helping you troubleshoot issues and make repairs with confidence. However, purchasing wiring diagrams can be costly and not always readily available. That’s where free auto wiring diagrams come in handy.
Free auto wiring diagrams are a valuable resource for DIY mechanics and professional technicians alike. These diagrams are often provided by automotive manufacturers, repair manuals, or online resources, making them easily accessible to anyone looking to repair or modify their vehicle’s electrical system. With free auto wiring diagrams, you can save time and money by quickly identifying wiring connections and troubleshooting electrical issues.
One of the main benefits of using free auto wiring diagrams is the cost savings. Instead of having to purchase expensive wiring diagrams or manuals, you can find the information you need for free online. This can be especially helpful for older vehicles or rare models where finding wiring diagrams may be more challenging.
Another advantage of free auto wiring diagrams is the convenience they offer. With just a few clicks, you can access the wiring diagrams for your specific make and model, helping you get the information you need quickly and easily. This can save you time and frustration when working on your vehicle’s electrical system.
Additionally, free auto wiring diagrams can help you better understand your vehicle’s electrical system and how all the components work together. By studying the diagrams, you can gain insight into the wiring layout, connections, and functions of each component, making it easier to diagnose and repair electrical issues in the future.
In conclusion, free auto wiring diagrams are a valuable resource for anyone working on their vehicle’s electrical system. With cost savings, convenience, and a better understanding of your vehicle’s wiring, these diagrams can make troubleshooting and repairs much easier. Next time you’re faced with an electrical issue in your car, be sure to take advantage of free auto wiring diagrams to help guide you through the repair process.
