Skip to content

Electric Stove Wiring Diagram

  • by

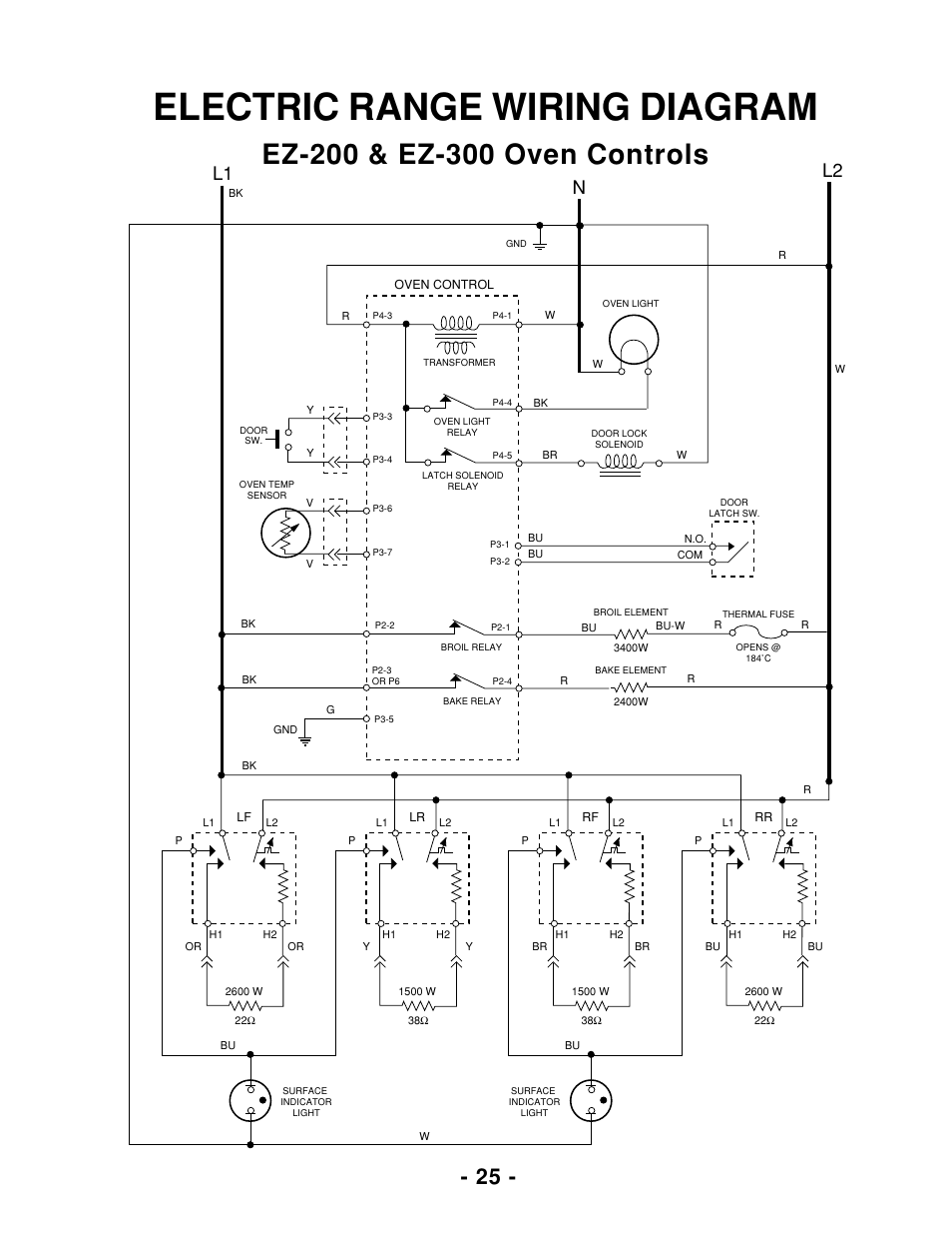
Electric stoves are a common household appliance used for cooking. They are powered by electricity and require proper wiring to function safely and effectively. Understanding the wiring diagram of an electric stove is important for troubleshooting and maintenance.

When it comes to wiring an electric stove, it is crucial to follow the manufacturer’s instructions and safety guidelines. Each stove model may have a different wiring diagram, so it is important to refer to the specific manual for your appliance. Failure to wire the stove correctly can result in electrical hazards and damage to the appliance.

Wiring Diagram Whirlpool Stove Wiring DiagramElectric Stove Wiring Diagram

Typically, an electric stove wiring diagram will consist of the power supply, heating elements, controls, and safety features. The power supply will connect to the main electrical panel, providing the stove with the necessary voltage to operate. The heating elements are responsible for generating heat for cooking, while the controls allow the user to adjust the temperature and settings.

It is important to note that electric stoves require a dedicated circuit with the appropriate amperage to prevent overloading the electrical system. The wiring diagram will indicate the proper wire gauge and circuit breaker size needed for the stove. Additionally, safety features such as fuses or thermal cutoffs may be included in the diagram to protect against electrical faults.

When wiring an electric stove, it is recommended to hire a qualified electrician to ensure proper installation and compliance with electrical codes. Improper wiring can lead to electrical fires, shock hazards, and damage to the appliance. By following the wiring diagram and seeking professional assistance, you can safely enjoy cooking with your electric stove.

In conclusion, understanding the wiring diagram of an electric stove is essential for safe and efficient operation. By following the manufacturer’s instructions and consulting a professional electrician, you can ensure that your stove is properly wired and functioning correctly. Remember to prioritize safety when working with electricity to prevent accidents and damage to your appliance.


Save and Print Electric Stove Wiring Diagram

Ge Stove Wiring To Burners Wiring Diagram Data Ge Stove Wiring Ge Stove Wiring To Burners Wiring Diagram Data Ge Stove Wiring

How To Read And Understand A Wiring Diagram For An Electric StoveHow To Read And Understand A Wiring Diagram For An Electric Stove

Wiring Diagram For General Electric Stove A Complete GuideWiring Diagram For General Electric Stove A Complete Guide

How To Wire A GE Electric Stove A Step by Step Diagram GuideHow To Wire A GE Electric Stove A Step By Step Diagram Guide

Electric Stove Wiring Diagram Wiring DiagramElectric Stove Wiring Diagram Wiring Diagram

To sum up, accessing Electric Stove Wiring Diagram via the internet can save time and money. Whether you’re a DIY enthusiast or a certified installer, these diagrams provide easy-to-follow instructions for repairs. Be sure to use reliable sources for correct schematics. With the right wiring diagram, even complex systems become straightforward. Bookmark this page and browse our other helpful resources to help with your projects. Start with peace of mind using free schematics right away!