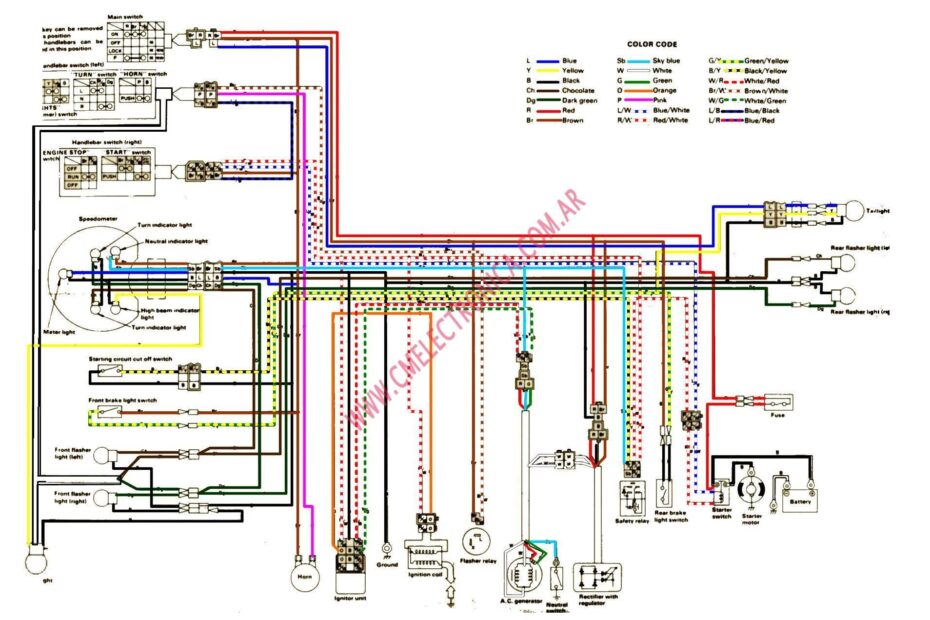
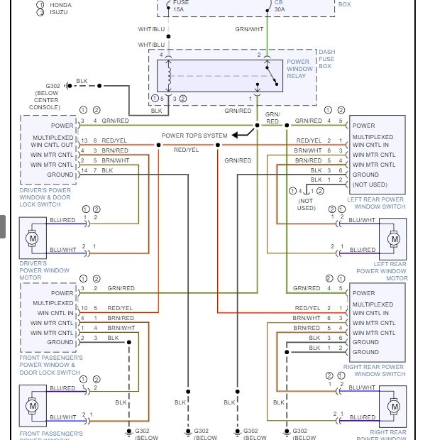
Wiring Plug Diagram
Wiring plug diagrams are essential tools for anyone looking to install or repair electrical outlets in their home or workplace. These diagrams provide a visual representation of how the wires should be connected to ensure… Wiring Plug Diagram








